Our customers

Case studies

See how our engineering solutions solved real challenges.
Real projects, real results.
Roof Mount PV and ESS
See more   
Roof Mounted PV
See more   
Existing Solar system add New ESS system
See more   
Roof Mount PV and ESS
See more   
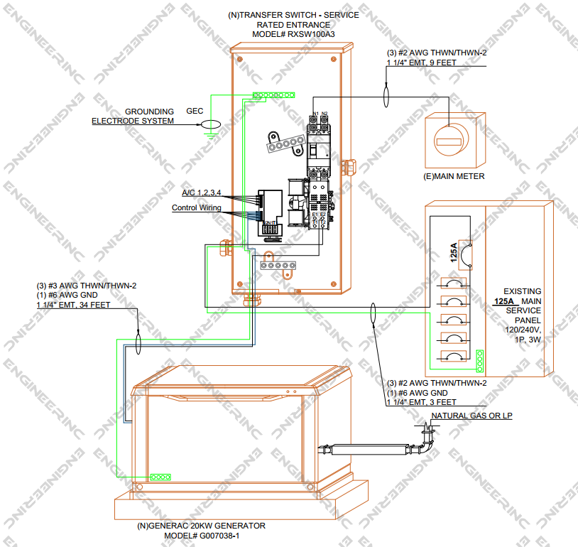
Generator
See more   
Contact us
Calculator